:::
您的瀏覽器目前並不支援JavaScript功能,若網頁功能無法正常使用時,請開啟瀏覽器JavaScript狀態設定
全站搜尋
請至少選取一項資源搜尋項目
網站導覽
登入
選單
選單
新上架資源
資源分類
Web教學資源
教育電子書
教育APP
教育媒體影音
登入
新上架資源
教學應用
主題資源
資源服務
Web教學資源
教育電子書
教育APP
教育媒體影音
縣市資源
加盟單位資源
行動學習計畫
教材資源中心
關於我們
教育大市集
使用規範
隱私權聲明
著作權聲明
著作侵權檢舉
開發者資源
使用手冊
資源搜尋
資源分類
Web教學資源
教育電子書
教育APP
教育媒體影音
教學設計
教學活動
教材
素材
學習單
知識架構
領域
請選擇領域
學習階段
請選擇學習階段
學習內容
請選擇學習內容
學習表現
請選擇學習表現
議題
議題
請選擇議題
核心素養
核心素養
請選擇核心素養
:::
編輯歷程
點閱數:1,891 次
下載次數:9 次
半斜圖繪製步驟及特性
web
關鍵字:
半斜圖繪製步驟及特性
0
0
收藏
問題回報
檢舉
加入追蹤
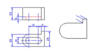
簡報說明半斜圖的特性: 有一個主平面(稱正面或前平面)平行於投影面,故不會變形,呈現實際形狀,簡稱實形;三軸之高寬深線上或軸線平行的直線上單位線長之比為1:1:1/2,故高寬可直接度量尺度,但深度軸量測值只有實際之1/2。
資訊
授權資訊
創用CC 姓名標示 3.0 台灣
資源類型
未定義
互動形式
混合式
上傳時間
2014-12-30
教學資源檔案連結
i360_0105_01.zip
(239.58KB)
資源評論或心得分享
載入更多內容...
分享您的想法
發表
相關資源
藝術教案_2上第2課優游「字」在
數學繪製長條圖
高中-社會(地理)超級強國的興起與挑戰-B-混成教學-台南市大灣高中-孔慶麗老師
國小-中年級-數學(容量與重量的計算)-B-混成教學-雲林縣鎮東國小-郭滿洲老師
視覺藝術第四課時空膠囊
模仿生物的一門科學
其他人也看了這些資源
等斜圖與半斜圖的異同
test.pdf
準備中
預覽檔案內容
提醒您
提醒您
您確認要刪除此留言嗎
QR code
確定